Home to www.stockhammer.at     Home to HiFi Audio Main

My Audio Project - Tuning Philips CD 650 - CD Player
Mein Audio Projekt - Tuning Philips CD 650 - CD Player 
Sie können mir auch in Deutsch antworten :-)

Tuning/Upgrade of my old Philips CD 650  Player
Zusammenfassung meines Upgrades:
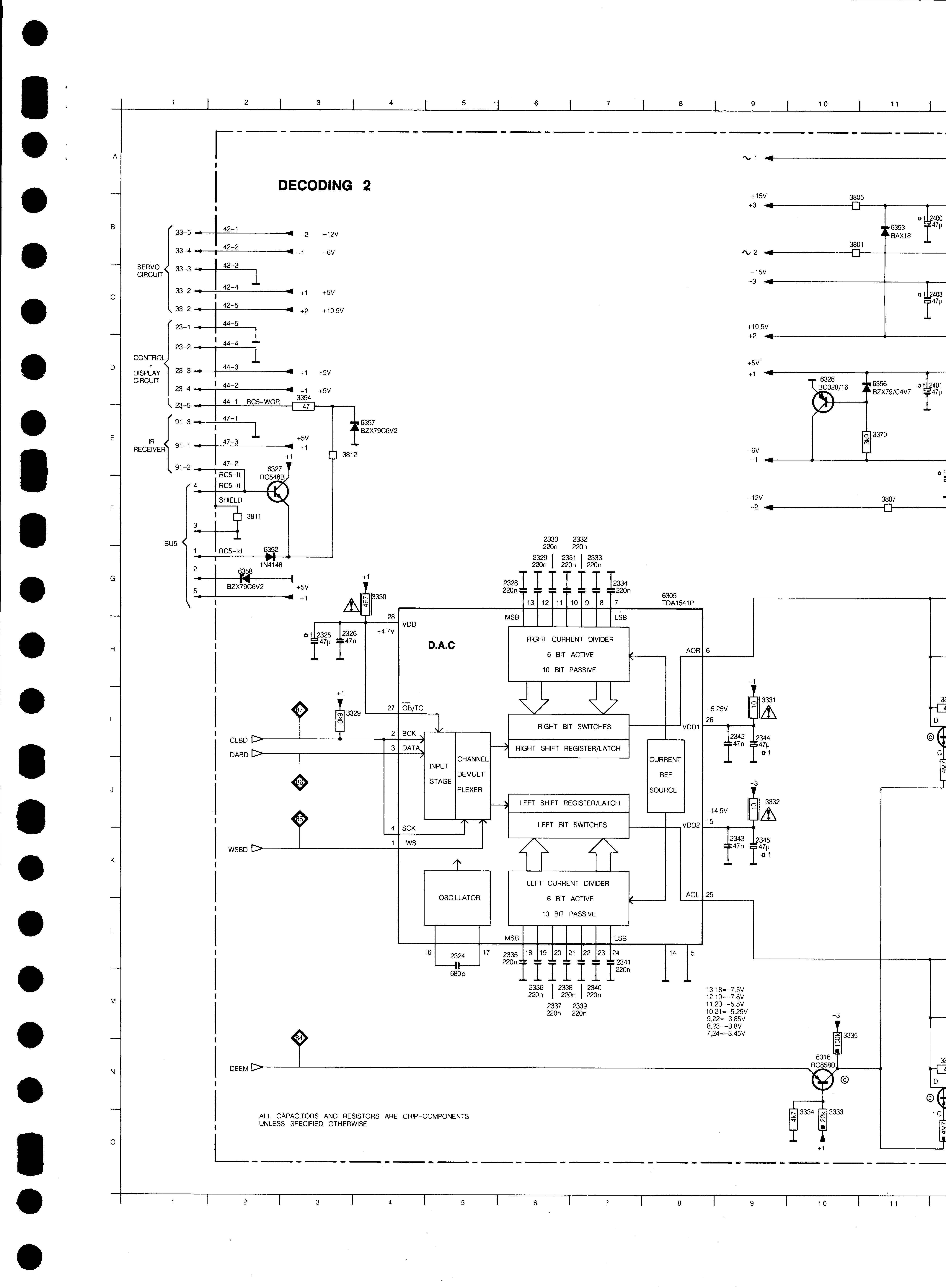
Austausch der beiden 220 uF Elektrolyt Kondensatoren (2366/2367) durch Nichicon KZ 220 uF 25 V
Austausch der 47 uF Elektrolyt Kondensatoren  (2358/2364/2359/2365) um die OP's durch Panasonic FC 100 uF 25 V
Überbrücken der drei 47 uF Elektrolyt Kondensatoren (2344/2345/2325) um den TDA1541P D.A.C. mit Panasonic 47uF 25 V (auf der Rückseite der Printplatte)

PH CD650 - DAC & 1st filter    PH CD650 - PSU & 1st filter    DAC & Filter
Austausch folgender Elektrolyt Kondensatoren in der Stromversorgung durch Panasonic FC 47uF 25V (2400/2403/2401/2402),  1000uF 35V (2395/2398/2397) und 10.000uF 25V (2396 - Panasonic TS-HA)
Entfernen aller  Widerstände (3360/3361/3362/3363/3366/3367) und Transistoren (6319/6320/6321/6322) zwischen Ausgangs Kondensator (3366/3367 - Nichicon KZ 220 uF) und der Cinch Buchse. Einlöten von je eines 10 kOHM Widerstandes zur Masse (anstelle von 4,7 kOHM) je eines 100 OHM Widerstands vom Kondensator zur Chich Buchse.
Auslöten der beiden NE5532N (6306 & 6307) OP AMP einlöten von guten Sockeln, und zwei AD OP275 verwenden.
Überbrücken der Panasonic FC 100 uF Kondensatoren (2358/2359/2364/2365) um die beiden OP AMP's mit WIMA MKS4 100nF/250V zu Masse Punkt 2362/2363 (star-ground).
Überbrücken der beiden 220 uF Kondensatoren (2366/2367 - Nichicon KZ 220 uF 25 V) mit WIMA FKP2 10nF/63V
Entfernen des internen Kabels zum internen Kopfhörerverstärker.
Ich verwende einen externen Kopfhörerverstärker
My current WNA MK II Headphone Amp project und reduziere die Last (Poti 10 kOHM entfallt) für den DAC Filter OP AMP.

In Audio 09/2006  audio.de - Philips CD-650 wurde unter "Alte Helden" der Philips CD-650 beschrieben. Durch meine Modifikationen spielt er sicherlich in der nächst höheren Klasse!
NEU - "A new Star was born" - der National Semiconductor LM4562. Anstelle der AD OP275 verwende ich nun zwei LM4562.
Die Veränderungen sind nicht spektakulär, aber in den leisen Hintergrundpassagen ist plötzlich eine Feinzeichnung vorhanden die ich so noch nie gehört habe. So z.B. bei Pink Floyd "Final Cut" hört man die Hintergrundgeräusche (in Q-Sound aufgenommen) trotz Kopfhörer einfach plastischer.

First Tuning/Upgrade:
Replace the both electrolytic 220 uF capacitors (2366/2367) with Nichicon KZ 220 uF 25 V
Replace the 47 uF (2358/2364/2359/2365) caps around the OP's with Panasonic FC 100 uF 25 V
Bypass the three 47 uF (2344/2345/2325) caps around the TDA1541P D.A.C. with Panasonic 47uF 25 V (placed on backside of PCB)
PH CD650 - DAC & 1st filter    PH CD650 - PSU & 1st filter    DAC & Filter

Hearing test (with new cinch cable too) - WOW" its much more better than the original headphone output. With Eva Cassidy "Live At Blues Alley" and some other music all my hairs stand up, I have never heared this so before. The change of the cable resulted in much more detail, more air between the musical instruments; trap-brass detail - it sounds tststs as tszszs before (quick, short beats) - I feel the brass in front of me!

Some of the special music I heared too:
Face To Face, Pete Townshend (stereoplay highlights CD 17)
Endless, Charly Antolini (Jeton Reference)
Rock on the Block, Quincy Jones
Blazing Away, Marianne Faithful
Audio Stakkato 3, Audio Hrkurs 4, Audio Hrkurs 5
and many others too.

Second Tuning/Upgrade:
Replace some electrolytic caps with Panasonic FC 47uF 25V (2400/2403/2401/2402),  1000uF 35V (2395/2398/2397) and 10.000uF 25V (2396 - Panasonic TS-HA)
Remove all resistors (3360/3361/3362/3363/3366/3367) and transistors (6319/6320/6321/6322) between the output cap (3366/3367 - Nichicon KZ 220 uF) and the Cinch female connector. I use only a 10 kOHM resistor to ground (before 4,7 kOHM) and a 100 OHM resistor from cap to connector.
I use a socket for the OP AMP and now I use two AD OP275.
Bypass the Panasonic FC 100 uF caps (2358/2359/2364/2365) arround the OP AMP's with WIMA MKS4 100nF/250V grounded to the ground of the caps 2362/2363 (star-ground).
Bypass the both electrolytic 220 uF capacitors (2366/2367 - Nichicon KZ 220 uF 25 V) with WIMA FKP2 10nF/63V
Remove the cable to the internal headphone amp - so remove the internal load of 10 kOHM.

Hearing test (short with OPA2134 little more detailed)
with OP275 - the problem I had (before bypass the
2358/2364/2359/2365 with 100nF it probable  oscillate) is solved.
The sound of the OP275 is analytic till to the highest tones (the OPA2134 sounds warmer, more musical).

I hope for feedback from other DIY's  

Third Tuning/Upgrade:
"A new star was born" - I replaced the both OP275 with the new National Semiconductor LM4562. The variances are "silent" (no spectacle). But I heared in Pink Floyd "Final Cut" some details in background voices and noises I never heared so before. This background voices and noises are recorded in Q-Sound, I heared this with headphones very three-dimensional! I listen to otherCD's: PF "Whish you where here", Ester Ofarim "Ester", Carl Orff "Carmina Burana" - O Fortuna, Jos Carreras "Misa Criolla" too with the same results.
The next step I will do .....
... hearing .... hearing .....

This OP AMP's I have for test:
OP's NE5532N (6306 & 6307) with BB/TI OPA2227P (OPA2228P), OPA2132, OPA2134, OPA2604 or AD OP275 or ON Semiconductor - SE5532

Schema's
move-out from whole page
PH_CD650_AD&filter
PH_CD650_Filter
PH_CD650_headphoneamp
PH_CD650_headphoneamp1
PH_CD650_2nd_filter
whole page
PH CD650 - DAC & 1st filter
PH CD650 - PSU & 1st filter

Next pictures:
Bypass the Panasonic FC 100 uF caps (2358/2359/2364/2365) arround the OP AMP's with WIMA MKS4 100nF/250V grounded to the ground of the caps 2362/2363 (star-ground) and bypass the both electrolytic 220 uF capacitors (2366/2367 - Nichicon KZ 220 uF 25 V) with WIMA FKP2 10nF/63V
Remove all resistors (3360/3361/3362/3363/3366/3367) and transistors (6319/6320/6321/6322) between the output cap (3366/3367 - Nichicon KZ 220 uF) and the Cinch female connector. I use only a 10 kOHM resistor to ground (before 4,7 kOHM) and a 100 OHM resistor from cap to connector.
Please klick on pictures to enlarge!

     
Next pictures:
Bypass the three 47 uF (2344/2345/2325) caps around the TDA1541P D.A.C. with Panasonic 47uF 25 V (placed on backside of PCB)
Please klick on pictures to enlarge!
 
Next pictures:
Some modifications an frontside of PCB and backside of PCB after first step of tuning.
Please klick on pictures to enlarge!
     
       
 
Tuning Philips CD 650 - CD Player - Parts
Panasonic FC electrolytic caps, some WIMA & EVOX RIFA caps, Welwyn resistors RC55Y 0,25W, ALPS potentiometer, etc.
RS Components

EVOX RIFA PHE 450 caps - (more interesting parts.... Welwyn resistors, Rubycon electrolyte caps. etc.)
Distrelec / Schuricht

Black Gate NX, Nichicon KZ electrolyte caps, Nichicon FG electrolyte caps, Holco H2/H4 resistors
Michael Percy Audio [Ordering Information]

parts conneXion - The authority on hi-fi DIY parts and components
Some parts please see My current WNA MK II Headphone Amp project  too
My stock of OP's
NS - LM6171, LM6172, LM6181
BB / TI - OPA655P, OPA134, OPA2132, OPA2227, OPA2228, OPA627, OPA637, OPA2134, OPA227, OPA228, OPA604, OPA2604, BUF634P, BUF634T, DRV134
AD - AD711, AD811, AD797, AD9631, AD9632, AD812, AD823, AD8610, AD797, AD843, AD847, AD8065, AD OP275
PMI - OP279, OP113, SSM2135
ON Semiconductor -  SE5532, SA5534 / SE5534
Maxim - MAX410, MAX412, MAX427, MAX437
Look like's as in BUF634_Schemas
Or as Per-Anders Sjstrm's - QRV-04 the high performance smd headphone amplifier
Ray's Audio Page - some hints, schemas from Marantz and Philips CD or SACD player! High-End DIY Audio, Modifications and Tweaking!
DIY Cables
My current CD 650 tuning project
My current WNA MK II Headphone Amp project
DIY Tips
Graham Slee "green Solo" Headphone Amp
Graham Slee "Green" ERA GOLD REFLEX  Phono Preamp
Tuning Revox Turntable B790
My preferred Music
Audio Projects - Main
 
Black Gate as a super-E-Caps capacitor - now sad to say, Black Gate caps are obsolete!

Jelmax H.P. BlacK Gate - The champion of the circuit cleaning; Black Gate as a super-E-Caps capacitor

Step 4 - the final circuit

〈Performance〉
It was surprising that all the problems worried about at item (3) were resolved by replacing all the capacitors with the super-E-Caps.
An amplifier made by Ippinkan, in which all the capacitors are replaced by the Black Gates, is connected to the output side.

〈Capacitor〉
BGN 16V 33μ2
Non-polarized Black Gate
Super-E-Caps
--------------------------
BGN 50V10μ2
Non-polarized Black Gate
Transcendence electron transfar

     In the super-E-Caps, the lead wire is connected as follows

What is the "Super-E-Caps"?
--------------------------------------------------------------------------------
A pair of nonpolarized Black Gate electrolytic capacitors are particularly connected in parallel or in series so that each one of the capacitors cancels the internal magnetic flux generated by the other, thereby completely eliminating internal resonance and decreasing total impedance to absolute zero as the frequency increase.

An ultimate DC current power source revolution by the ultra electrolytic capacitor Black Gate  - 無題ドキュメント

Source (C) - Jelmax H.P. TOP page

Farbcode für Widerstände 4 - Berechnung Farbcode Widerstand Widerstandstabelle Farb Code Ringe - sengpielaudio
Farbcode für Widerstände 12 - Rechner - Widerstand mit 6 Ringen Ringe Widerstandsbestimmung Farb Farbringe- sengpielaudio

 


Nachricht an mich   hifiaudio [at] stockhammer [dot] at 
Ich lehne jede Verantwortung und Haftung für den Inhalt (auch Urheberrecht!) der von mir verlinkten Seiten und auch der zitierten Textstellen ab!
In der Linkliste finden sich sicherlich einige Links die nicht mehr funktionieren da der Betreiber seine WEB Seite still gelegt hat. In diesem Fall lohnt es sich, den Link zu kopieren und in der Seite der WayBackMachine archive.org einzugeben. Meistens findet man da noch den Inhalt, man muss gegebenenfalls auch in der Zeitachse danach suchen.

In the link list you will certainly find some links that no longer work because the operator has shut down his WEB page. In this case it is worth to copy the link and enter it in the WayBackMachine archive.org page. Most of the time you can still find the content, but you may have to search for it in the timeline.

       Some Archive only!
No guarantee for who is behind the linked pages today! If you find dubious content, please report it!

Einges nur Archiv! Keine Garantie dafür wer heute hinter den Verlinkten Seiten steckt! Wer bedenklichen Inhalt findet, bitte melden!

Meine Nutzungsbestimmungen
Bewegt Politik! Campact e.V.    Campact on Twitter Member of The Internet Defense League

Webmaster   webmaster [at] stockhammer [dot] at       

Last modified: 04. March 2019 17:33:09.

Top Home